Aluminum Structural Framing Naming Conventions
Strut Profiles with Modular Dimensions
Strut profiles with modular dimensions means that it uses a set measurement for structural design. Bosch Rexroth uses it as the amount of spacing between each slot. So for example, in the figure above, the 6 mm slot, 20 mm Modular Dimension profile has a 20 mm spacing between each slots. Bosch Rexroth provides six different profile ranges:
- 6 mm slot, 20 mm Modular Dimension
- 8 mm slot, 30 mm Modular Dimension
- 10 mm slot, 40 mm Modular Dimension
- 10 mm slot, 45 mm Modular Dimension
- 10 mm slot, 50 mm Modular Dimension
- 10 mm slot, 60 mm Modular Dimension
Within each of the different profile ranges, there are various strut profile sizes and shapes. While some variants are simple to understand, others need more explanation. Below, you will find a list that explains the different indications of the names.
- If the name has the same width and height and is not followed by anything, it has four exposed slots, one on each side. For example:

- If the name is followed by nothing, the strut profile will have slot(s) on each side depending on how long it is. For example:

This strut profile has two slots on two sides and one slot on the rest of the sides
This strut profile has four slots on two sides and one slot on the rest of the sides *There are special strut profiles where this doesn’t apply. This includes: 10×40, 30×45, 15×22.5, and 22.5×45. Example:
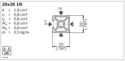
- If the name is followed by #N, it has # amount of exposed slots. For example:

This strut profile has one slot
This strut profile has two slots

This strut profile has 6 slots *Note: 0N, means no slots.
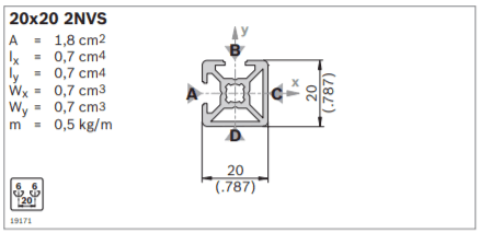
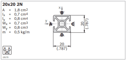
- If the name is followed by 2NVS, it has two exposed slots that are perpendicular from each other. For example:

*Notice while the 20×20 2N has slots across from each others, the 20×20 2NVS has the slots oriented differently.
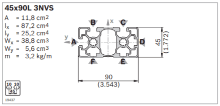
- If the name is followed by 3NVS, it has two exposed slots on one side and one exposed slot perpendicular from it. For example:

- If the name is followed by 4NVS, it has two exposed slots perpendicular from two other slots. For example:

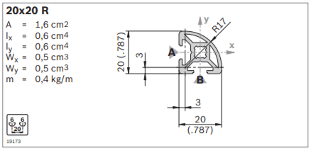
- If the name is followed by an R, it means that the profile has one rounded corner. For example:

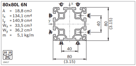
- If the name is followed by an L, it means the profile is light. For example: 40x40L
- If the name is followed by an SL, it means the profile is super light. For example: 45x90SL
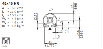
- If the name is followed by HR, the profile has one face rounded. For example:

- If the name is followed by ° , it is angled at a certain degree. The number before the degree will tell you the angle. For example:

This strut profile is angled at 45°.